PUCH G / PINZGAUER
  • Products & Spare Parts
  • Specialist workshop & Remanufacturing
  • Hutchinson Beadlock-Rims
  • Used car market
  • News & Events
  • Contact
  • Login
Shopping Cart
(excl.)

Watchlist

0
  • Products & Spare Parts
  • G-Class
  • W460 & W461
  • G-Class 290 GDT
  • Transmission
  • back to overview
  • Transmission
    • Transfer case
    • Transfer case (Shift lever, speedometer drive and suspension)
    • D722331 (23K) W4A028
    • D722630 (23R) W5A580
    • Attachment/automatic transmission
    • Middle shift/automatic four-speed transmission

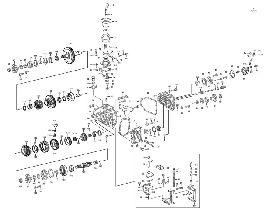
Transmission

Transfer case

Transfer case-single parts

Transfer case (Shift lever, speedometer drive and suspension)


D722331 (23K) W4A028

  • transmission/torque converter/ seal kit
  • transmission/internal parts
  • gear housing/vacuum unit/ solenoid valve/bowden cable
  • brake band/brake band piston/ gear overload switch
  • start-/stop-/reverse light-switch/ secondary pump/centrifugal governor
  • gearcase rear
  • shift pusher housing/ oil pan/ seal kit

D722630 (23R) W5A580

  • transmission/torque converter/ seal kit
  • torque converter housing/oil pump
  • friction brake B1
  • clutch K1/front planetary gear
  • clutch K2
  • middle and rear planetary gears
  • friction brake B2/ B3/ parking lock wheel
  • gear housing/output flange
  • electronic-hydraulic control unit
  • oil pan/oil filter
  • gearbox/attachments/oil filler pipe

Attachment/automatic transmission


Middle shift/automatic four-speed transmission

  • variant 1

Service Technologies GmbH & Co OG Frank-Stronach-Straße 3 8200 Albersdorf, Austria Tel.: +43 (0) 3112 / 9000-0 Fax: DW-2240, puch@s-tec.at
  • Products & Spare Parts
  • Vehicles & Workshop
  • Vehicle types
  • FAQ
  • Shopping Cart
  • Watchlist
  • Contact
  • Search
  • Newsletter
  • Imprint
  • Data protection
  • Terms & conditions
  • Register
  • Right of return
Follow us